
这款50W激光功率计探头专为高功率激光测量设计。它具备0.19-11μm的宽光谱范围,可精准测量10mW至50W的连续功率及最高200J的能量,响应迅速(<1.5s)。产品集成了优化热沉与风扇,支持自然冷却与强制风冷双模式,能稳定承载50W连续功率,甚至短期承受高达150W的峰值功率。其小巧的65mm立方体外形便于集成,提供10W/50W/150W多量程,测量不准确度低至±2%,线性度达±1%,是工业加工与激光研发中高功率测量的可靠选择。
我们一站式供应各种类型的激光功率计,激光能量计,激光功率能量计,光电式激光功率计,便携式激光功率计,可提供选型、技术指导、安装培训、个性定制等全生命周期、全流程服务,欢迎联系我们!
产品特点
快速响应
宽光谱范围
外形小巧,集成风扇
优化热沉设计,短期高承载功率光学配件安装螺纹
产品参数
| 型号 | TP50-HP-19 | TP50-HP-19J (高损均光版) |
| 光谱范围 (μm) | 0.19~11 | 0.28~1.1 |
| 入光孔径 | 19mm | 19mm |
| 功率测量范围 | 10mW~50W | 10mW~50W |
| 间歇测量 | 50W continuous, 100W for 3min, 150W for 2min | |
| 功率量程 | 10W/50W/150W | 10W/50W/150W |
| 最大 CW 功率密度 | 15kW/cm² | 150kW/cm² |
| 响应时间 | < 1.5S | < 1.5S |
| 测量不准确度 ±% | < 2 | < 4 |
| 线性度 ±% | < 1 | < 1 |
| 测量精度 ±% | < 3 | < 5 |
| 能量测量范围 | 20mJ-200J | 25mJ-200J |
| 能量量程 | 0.6J/3J/30J/200J | 0.6J/3J/30J/200J |
| 最大能量密度 J/cm² | 30@10ms | 40@10ms |
| 散热方式 | 自然冷却、强制风冷 | 自然冷却、强制风冷 |
| 接口类型 | DB9 | DB9 |
| 重量(含支架) | 0.68kg | 0.7kg |
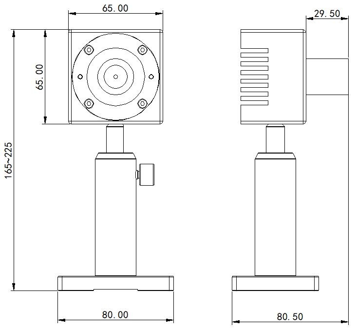
| 探头尺寸(不含支架) mm | 65*65*65 | 65*65*95 |
| 线缆长度 | 2M | 2M |
探头尺寸
上一个产品
下一个产品