
Lynk 200W水冷激光功率计专为高功率激光测量设计,具备100mW至200W的宽广功率范围,轻松应对工业与科研中的苛刻应用。其核心优势在于高达7kW/cm²(标准版)的卓越功率密度承受能力,并结合高效水冷散热,确保持续稳定工作。产品响应迅速(<2.5s),覆盖0.19-11μm的宽光谱,测量精度高(不准确度<±2%),并提供RS232/USB接口便于集成。两款型号可选,标准版通用性更强,高损均光版则在0.28-1.1μm波段拥有更高精度与功率密度上限,是追求高效、精准激光功率测量的理想工具。
我们一站式供应各种类型的激光功率计,激光能量计,激光功率能量计,光电式激光功率计,便携式激光功率计,可提供选型、技术指导、安装培训、个性定制等全生命周期、全流程服务,欢迎联系我们!

产品特点
快速响应
宽光谱范围
外形小巧,集成风扇
高承载功率
光学配件安装螺纹
产品参数
| 型号 | 200-HP-25-W | 200-HP-25-WJ (高损均光版) |
| 光谱范围(μm) | 0.19~11 | 0.28~1.1 |
| 入光孔径 | 25mm | 25mm |
| 功率测量范围 | 100mW - 200W | 100mW - 200W |
| 测量分辨率 | 10mW | 10mW |
| 功率量程 | 200W | 200W |
| 最大 CW 功率密度 | 7kW/cm² | 70kW/cm² |
| 响应时间 | < 2.5S | < 4S |
| 测量不准确度 ±% | < 2 | < 1 |
| 线性度 ±% | < 1 | < 5 |
| 测量精度 ±% | < 3 | < 5 |
| 最大能量密度 J/cm² | 30@10ms | 30@10ms |
| 散热方式 | 水冷 | 水冷 |
| 快拧接头 | M-5H-6,6mm | M-5H-6,6mm |
| 水流量 | ≥1.0L/min | ≥1.0L/min |
| 接口类型 | RS232 / USB | RS232 / USB |
| 重量 | 450g | 450g |
| 探头尺寸 mm | 65×65×25 | 65×65×30 |
| 线缆长度 | 2M | 2M |
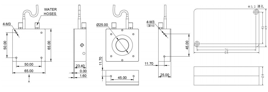
外观尺寸

上一个产品
下一个产品