
这款2000W与3000W激光功率计探头,专为工业级高功率激光测量设计。其核心优势在于高达3.5kW/cm²的功率密度承受能力与0.19~11μm的宽光谱响应范围,全面覆盖从紫外到远红外的主要激光器类型。产品采用高效水冷散热,确保在2500W/3500W的满负荷下长期稳定工作,测量精度高,不准确度优于±2%。其快速响应与高线性度特性,使其成为激光加工、科研及设备维护领域中,进行大功率激光输出精准监测与控制的理想工具。
我们一站式供应各种类型的激光功率计,激光能量计,激光功率能量计,光电式激光功率计,便携式激光功率计,可提供选型、技术指导、安装培训、个性定制等全生命周期、全流程服务,欢迎联系我们!

产品特点
快速响应
宽光谱范围
水冷散热
产品参数
| 型号 | TP2000-HP-50-W | TP3000-HP-50-W |
| 光谱范围 (um) | 0.19~11 | 0.19~11 |
| 入光孔径 | 50mm | 50mm |
| 功率测量范围 | 2.5W - 2500W | 3.5W - 3500W |
| 最大 CW 功率密度 | 3kW/cm² | 3kW/cm² |
| 响应时间 | <4.5S | <4.5S |
| 测量不准确度 ±% | <2 | <2 |
| 线性度 ±% | <2 | <2 |
| 测量精度 ±% | <4 | <4 |
| 散热方式 | 水冷 | 水冷 |
| 快拧接头 | KQ2L10-02AS, 10mm | KQ2L10-02AS, 10mm |
| 水流量 | >=5L/min | >=5L/min |
| 接口类型 | DB9 | DB9 |
| 重量 (不含支架) | 4.75kg | 4.75kg |
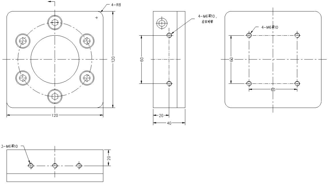
| 探头尺寸 (不含支架) mm | 120*120*40 | 120*120*40 |
| 线缆长度 | 2M | 2M |
外观尺寸

上一个产品
下一个产品