
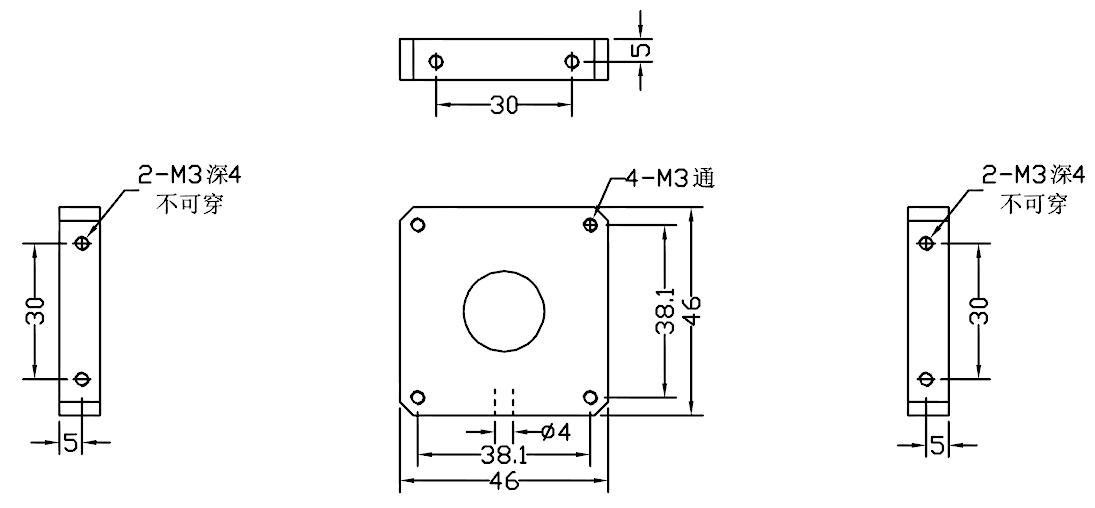
Lynk-A系列激光功率计是专为激光器内部集成设计的精密测量工具。该系列具备0.19-11μm的极宽光谱范围,覆盖紫外至远红外,并拥有高达15kW/cm²的功率密度承受能力。产品提供1W与10W两种型号,测量范围分别覆盖1mW-1.5W和1mW-15W,兼具小于2%的低不准确度与小于1%的优异线性度。其响应迅速(<1.5秒),通过0-1V模拟接口输出,采用紧凑设计(46×46×10mm),仅重45克,无需额外线缆,通过5-24V宽电压供电,可实现自然冷却,是追求精度与便捷集成的激光应用的理想选择。
我们一站式供应各种类型的激光功率计,激光能量计,激光功率能量计,光电式激光功率计,便携式激光功率计,可提供选型、技术指导、安装培训、个性定制等全生命周期、全流程服务,欢迎联系我们!
产品特点
快速响应
宽光谱范围
外形小巧
模拟接口
适用于激光器内部集成性
产品参数
| 型号 | Lynk-A-1W | Lynk-A-10W |
| 光谱范围(μm) | 0.19~11 | 0.19~11 |
| 入光孔径 | 18mm | 18mm |
| 功率测量范围 | 1mW - 1.5W | 1mW - 15W |
| 供电电压 | 5-24V | 5-24V |
| 模拟输出 | 0-1.0V | 0-1.0V |
| 最大 CW 功率密度 | 15kW/cm² | 15kW/cm² |
| 响应时间 | < 1.5S | < 1.5S |
| 测量不准确度 ±% | < 2 | < 2 |
| 线性度 ±% | < 1 | < 1 |
| 测量精度 ±% | < 3 | < 3 |
| 散热方式 | 自然冷却 | 自然冷却 |
| 接口类型 | 0-1V 模拟量 | 0-1V 模拟量 |
| 重量 | 45g | 45g |
| 探头尺寸(不含支架)mm | 46×46×10 | 46×46×10 |
| 线缆长度 | 无 | 无 |
外观尺寸
上一个产品
下一个产品