
这款光电探头具备快速响应与宽光谱探测能力(0.19~11μm),外形紧凑小巧。其采用优化热沉设计,支持短期高负载工作,适用于高功率激光测量。产品提供10W与50W两种功率量程,覆盖2mW-50W功率及20mJ-200J能量范围,具备多档位自动切换。测量不准确度<2%,线性度达±1%,响应时间低于1.5秒,配合自然冷却方式和标准DB9接口,可稳定应用于工业检测与科研实验中,是精密光学测量的可靠工具。
我们一站式供应各种类型的激光功率计,激光能量计,激光功率能量计,光电式激光功率计,便携式激光功率计,可提供选型、技术指导、安装培训、个性定制等全生命周期、全流程服务,欢迎联系我们!

产品特点
快速响应
宽光谱范围外形小巧
优化热沉设计,短期高承载功率
产品参数
| 型号 | TP10-HP-25 | TP50-HP-25S |
| 光谱范围 (μm) | 0.19~11 | 0.19~11 |
| 入光孔径 (mm) | 25 | 25 |
| 功率测量范围 | 2mW - 10W | 10mW - 50W |
| 间歇测量 | 10W continuous, 50W for 3min | 10W continuous, 50W for 3min |
| 功率量程 | 10W | 50W |
| 最大 CW 功率密度 (kW/cm²) | 15 | 15 |
| 响应时间 (s) | < 1.5 | < 1.5 |
| 测量不准确度 (±%) | < 2 | < 2 |
| 线性度 (±%) | < 1 | < 1 |
| 测量精度 (±%) | < 3 | < 3 |
| 能量测量范围 | 20mJ-200J | 20mJ-200J |
| 能量量程 | 0.6J/3J/30J/200J | 0.6J/3J/30J/200J |
| 最大能量密度 (J/cm²) | 30@10ms | 30@10ms |
| 散热方式 | 自然冷却 | 自然冷却 |
| 接口类型 | DB9 | DB9 |
| 重量 (kg) | 0.16 (不含支架), 0.43 (含支架) | 0.16 (不含支架), 0.43 (含支架) |
| 探头尺寸 (mm) | 60*60*20 | 60*60*20 |
| 线缆长度 (m) | 2 | 2 |
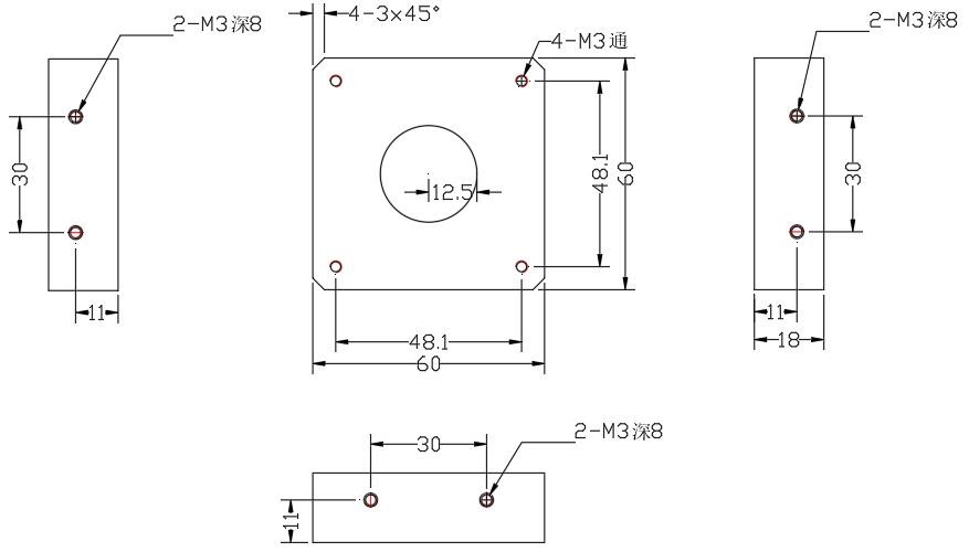
外观尺寸

上一个产品
下一个产品