
Lynk 20W/50W激光功率计是一款专为工业与实验室设计的高性能测量仪器。它提供20W和50W两种功率量程,覆盖0.19~11µm的宽光谱范围,具备快速响应(<1.5s)与高精度(不准确度<2%)的特点。该设备拥有25mm大孔径,可承受高达15kW/cm²的功率密度,并通过RS232/USB接口便捷连接。其小巧的一体化设计(60*60*20mm,350g)易于集成到各种系统中,为激光设备研发、生产及维护提供了稳定可靠的功率测量解决方案,确保测量数据的准确性与一致性。
我们一站式供应各种类型的激光功率计,激光能量计,激光功率能量计,光电式激光功率计,便携式激光功率计,可提供选型、技术指导、安装培训、个性定制等全生命周期、全流程服务,欢迎联系我们!

产品特点
快速响应
宽光谱范围
外形小巧
易集成
产品参数
| 型号 | 20-HP-25 | 50-HP-25 |
| 光谱范围( um) | 0. 19~ 11 | |
| 入光孔径 | 25mm | |
| 功率测量范围 | 5mW - 20W | 20mW - 50W |
| 测量分辨率 | 1mW | 10mW |
| 功率量程 | 20W | 50W |
| 最大 CW 功率密度 | 15kW/cm2 | |
| 响应时间 | < 1.5S | |
| 测量不准确度 ±% | < 2 | |
| 线性度 ±% | < 1 | |
| 测量精度 ±% | < 3 | |
| 最大能量密度 J/cm2 | 30@ 10ms | |
| 散热方式 | 自然冷却 | |
| 接口类型 | RS232 / USB | |
| 重量 | 350g | |
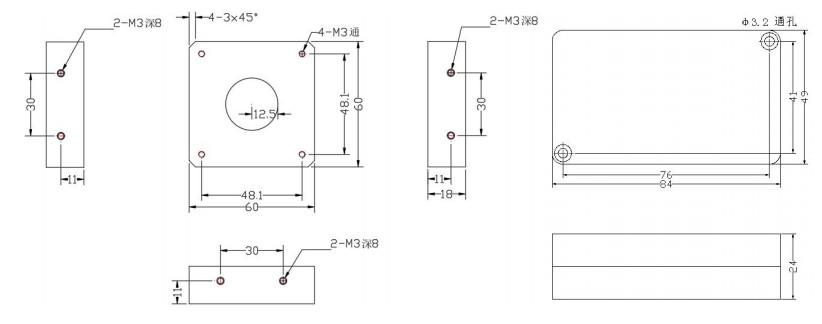
| 探头尺寸 mm | 60*60*20 | |
| 线缆长度 | 2M | |
外观尺寸

上一个产品
下一个产品