
Trill系列激光能量计是一款集高精度功率与单脉冲能量测量于一体的便携式仪器。其核心优势在于0.19-11μm的极宽光谱响应范围与小于3%的顶尖测量精度,能同时应对10mW-50W的宽功率域与10mJ-600mJ的能量测量。产品响应迅捷,具备卓越的线性度与稳定性,紧凑的机身(仅170g)集成了USB等多种接口,极大提升了在工业加工、实验室研发等复杂场景下的操作便利性与可靠性,是追求精准测控用户的理想工具。
我们一站式供应各种类型的激光功率计,激光能量计,激光功率能量计,光电式激光功率计,便携式激光功率计,可提供选型、技术指导、安装培训、个性定制等全生命周期、全流程服务,欢迎联系我们!

产品特点
快速响应
宽光谱范围
外形小巧
单脉冲能量
测量高稳定性
产品参数
| 型号 | Trill-PE10-HP-25 |
| 光谱范围(μm) | 0.19~11 |
| 入光孔径 | 25mm |
| 功率范围 | 10mW - 50W |
| 最大 CW 功率密度 | 15kW/cm² |
| 响应时间 | < 1.5S |
| 测量不准确度 ±% | < 2 |
| 线性度 ±% | < 1 |
| 测量精度 ±% | < 3 |
| 能量测量范围 | 10mJ - 600mJ |
| 能量量程 | 0.6J |
| 测量分辨率 | 1mJ |
| 最大能量密度 J/cm² | 30@10ms |
| 散热方式 | 自然冷却 |
| 接口类型 | DB9、USB |
| 重量 | 170g |
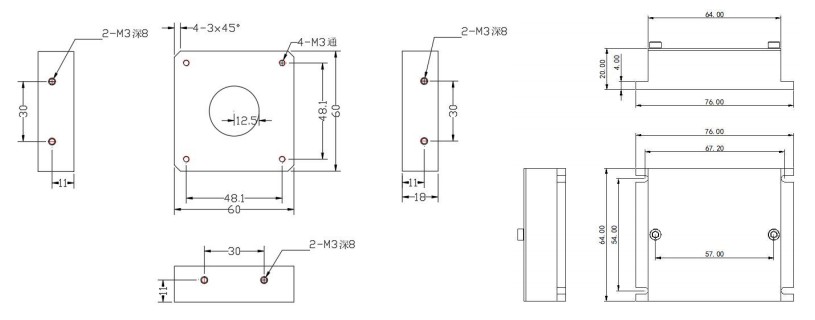
| 探头尺寸(不含支架)mm | 60×60×20 |
| 线缆长度 | 2M |
外观尺寸

上一个产品
下一个产品