
QX系列KD*P普克尔盒采用宽带高损伤阈值溶胶凝胶镀膜技术与无环氧陶瓷结构,在300-1100nm波段提供9.5-19.5mm有效孔径,支持3kHz高重频操作。在1064nm处实现>2000:1电压对比度与<2%插入损耗,配备紫外级熔融石英窗口确保高透射率与低波前畸变。专业应用于激光调Q、脉冲拾取、腔倒空等高端场景,满足工业OEM、军事装备及科研教育领域对高性能激光调制的严苛需求。
我们一站式供应各种类型的电光Q开关,普克尔盒,电光调Q开关,电光调制盒,Q开关,电光调制器,KDP电光Q开关,KDP普克尔盒,BBO电光Q开关,BBO普克尔盒,可提供选型、技术指导、安装培训、个性定制等全生命周期、全流程服务,欢迎联系我们!
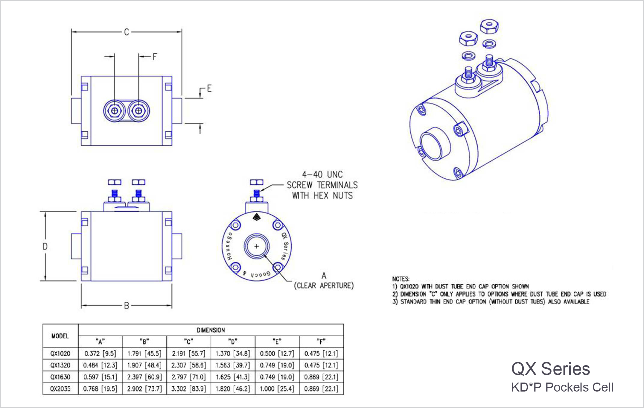
QX系列KD*P普克尔盒在300–1100nm波长范围内工作,有效孔径为9.5–19.5mm,重复频率高达3kHz。在1064nm处提供大于2000:1的电压对比度。QX系列为KD*P普克尔盒设定了标准,采用宽带、高损伤阈值溶胶凝胶增透膜及紧凑型设计,以提高耐用性和性能,具有坚固的陶瓷孔径和优质的紫外级熔融石英窗口,可实现高透射率和对比度。

主要特点
干性或液体密封
99.9% KD*P重氢工业化标准
无环氧和粘结剂
紫外级熔融硅窗口
有效孔径为9.5–19.5mm
业内最低的吸收率
最高的抗光学损伤能力
工作频率为3kHz(10kHz衰减模型)
应用
Q 开关、脉冲拾取和腔倒空器
工业和军事OEM,研究激光器系统教育
| 型号 | QX1020 | QX1320 | QX1630 | QX2035 |
| 通光孔径 | 9.25mm | 12.3mm | 15.1mm | 19.5mm |
| 单程插入损耗@1064nm | <1.4% | <1.4% | <1.8% | <2% |
| 本征对比(ICR)@1064nm | 5000:1 | 5000:1 | 5000:1 | 5000:1 |
| 电压对比 (VCR)@1064 | 2500:1 | 1500:1 | 1800:1 | 1000:1 |
| 单程波前畸变@633nm | <λ/8 | <λ/8 | <λ/8 | <λ/6 |
| 电容(DC) | 5pF | 7pF | 9pF | 13pF |
| 直流1/4波电压(±6%)@1064nm | 3.5kV | 3.5kV | 3.5kV | 3.5kV |
| 理论上10-90%上升时间(50Ω电线) | 0.8ns | 1.1ns | 1.1ns | 1.5ns |
上一个产品
下一个产品