
3307系列射频驱动器提供高达4W输出功率,频率覆盖80-350MHz,支持高达50MHz的模拟/数字调制。该系列采用紧凑型铝制外壳设计,提供优异EMC屏蔽和散热性能,可选ALC控制和外部功率放大至20W。专为驱动FiberQ调制器和移频器设计,是激光投影系统、频率迁移等应用的理想解决方案,兼顾高性能与高性价比。
我们一站式供应各种类型的声光调制器电源,射频驱动器,声光驱动器,射频电源,RF驱动器,RF射频驱动器,声光调制器射频电源,声光调制器驱动电源,声光调制器驱动器,Q开关电源,声光Q开关电源,声光Q驱动器,Q驱,Q开关驱动,Q开关驱动电源,可提供选型、技术指导、安装培训、个性定制等全生命周期、全流程服务,欢迎联系我们!
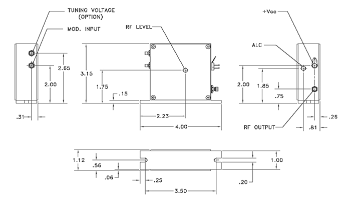
3307系列射频驱动器提供高达4W的输出功率。各种类型覆盖了80-350MHz的频率范围。最大射频输出功率可通过内部电位器调节。该驱动器可用于模拟或数字调制控制。模拟调制电压将输出功率控制在调整后的最大功率的0到100%之间。数字调制控制信号可以打开和关闭射频功率,可以在高达载波频率25%的调制频率(模拟和数字)下运行,在更高的载波频率下最大为50MHz。铝制外壳实现了最佳的 EMC 屏蔽和机械保护。底板用于安装和散热目的。该驱动器提供许多选项,包括频率调谐、自动电平控制 (ALC) 和可将输出功率提高到20W的外部放大器,可驱动FiberQ调制器和移频器。

主要特征
频率范围80-350MHz
射频功率高达4W
射频开/关比≥35dB(数字/模拟调制)
恒定输出功率设计
提供调制频率高达50MHz的型号
通过底板传导冷却
结构紧凑
主要应用
用于腔外的快速调制,如激光投影系统
移频
| 参数 | 性能 |
| 工作频率 | 80–350MHz |
| 电源电压 | +24V DC, +28V DC |
| 电源电流 | 550mA标准,带Pout 0.35-1.5W@24V 550mA标准,带Pout 0.35-1.5W@28V 700mA标准,带Pout 2.0-4.0W@24V 700mA标准,带Pout 2.0-3.0W@28V 2000mA标准,带Pout 7.0W@24V 2700mA标准,带Pout 20W@24V |
| 输出阻抗 | 50Ω标准 |
| 射频功率 | 4W |
| 频率精度 | ±0.1% |
| 谐波畸变 | @50Ω负载:≤-20dBc |
| 模拟输入阻抗 | 50Ω |
| 模拟调制电压范围 | 0 … +1V @50Ω |
| 模拟调制射频开/关比 | ≥35dB |
| 数字调制阻抗 | 50Ω标准 |
| 数字调制电平 | 标准 TTL |
| 数字调制射频开/关比 | ≥35dB |
| 射频上升/下降时间 (上升:10%至90%) (下降:90%至10%) | 12nsec@80MHz 9nsec@110MHz 7nsec@150MHz 5nsec@200MHz 4nsec@260MHz 4nsec@350MHz |
| 输入阻抗 | 频率调谐:标准1kΩ |
| 调频带宽 | 3dB@90kHz |
| 频率范围 50–100MHz 75–150MHz 150–280MHz 200–380MHz 270–430MHz | 输入电压 +1.5-+15V标准 +1.5-+15 V标准 +2.0-+15 V标准 +1.0-+15 V标准 +2.5-+12 V标准 |
| 射频输出(0W–全功率) +24V(Vcc) +28V(Vcc) +28V(Vcc) 200–380MHz 270–430MHz | ALC 电压电平 0–+21V标准 0–+25V标准 0–+5V标准 0–+10V标准 |
| 输出参考频率 | 80, 110, 150, 200, 260&350MHz |
| 冷却方式 Pout 1.0W-1.5W 2.5W-3.0W 4.0W | 传导 底板应连接到合适的散热片,能够消散: 15W 20W 22W |
| 预热时间 | 5min |
| 底板温度 | 0℃至+60℃(为获得最佳输出功率稳定性,应提供恒定的基板温度) |
| 储存温度 | -25℃至+85℃(不结露) |
| 电源电压 | 绝对最大值:+28 VDC |
| 模拟调制 | 绝对最大值:-3.0V至+3.0 V |
| 数字调制 | 绝对最大值:-4.3V至+4.3 V |
| 工作温度 | 绝对最大值:+65℃(基板温度) |
| 重量 | 0.24Kg |
| 尺寸(长x宽x高) | 102x29x80mm,外形图:(尺寸以英寸为单位) |
上一个产品
下一个产品