
2910系列射频驱动器提供高达4W输出功率,覆盖80-350MHz频率范围,专为精密光电调制设计。该系列具备卓越的≥60dB数字调制和≥50dB模拟调制对比度,支持高达50MHz的高速调制频率。采用紧凑型铝制外壳,提供优异EMC屏蔽和散热性能,通过底板传导冷却确保稳定运行。特别适用于激光投影系统、频率迁移等应用场景,可驱动FiberQ系列调制器,是要求高开关比和稳定性能工业应用的理想选择。
我们一站式供应各种类型的声光调制器电源,射频驱动器,声光驱动器,射频电源,RF驱动器,RF射频驱动器,声光调制器射频电源,声光调制器驱动电源,声光调制器驱动器,Q开关电源,声光Q开关电源,声光Q驱动器,Q驱,Q开关驱动,Q开关驱动电源,可提供选型、技术指导、安装培训、个性定制等全生命周期、全流程服务,欢迎联系我们!
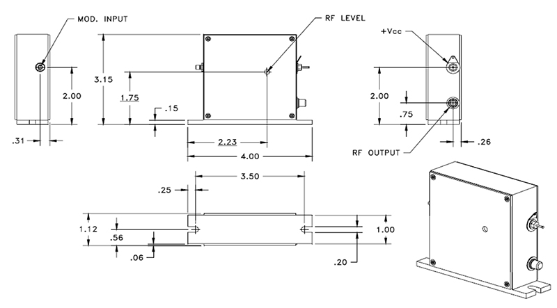
2910系列射频驱动器提供高达4W的输出功率。各种类型覆盖了80至350MHz的频率范围。最大射频输出功率可通过内部电位器调节。该驱动器可用于模拟或数字调制控制。模拟调制电压将输出功率控制在调整后的最大功率的0到100%之间。数字调制控制信号可以打开和关闭射频功率。该驱动器可以在高达载波频率25%的调制频率(模拟和数字)下运行,在较高的载波频率下最大为50MHz。 铝制外壳实现了最佳的EMC屏蔽和机械保护。底板用于安装和散热目的,可驱动FiberQ调制器。

主要特征
频率范围80-350MHz
射频功率高达4W
射频开/关比≥60dB(数字调制)
射频开/关比≥50dB(模拟调制)
恒定输出功率设计
提供调制频率高达50MHz的型号
通过底板传导冷却
结构紧凑
主要应用
用于腔外的快速调制,如激光投影系统
移频
| 参数 | 性能 |
| 工作频率 | 80–350MHz |
| 电源电压 | +24V DC |
| 电源电流 | 600mA标准,带 Pout 1.0W 625mA标准,带 Pout 1.5W 775mA标准,带 Pout 2.5W 825mA标准,带 Pout 3.0W 900mA标准,带 Pout 4.0W 2700mA标准,带 Pout 20W |
| 输出阻抗 | 50Ω标准 |
| 射频功率 | 最大:< 0.1W … > Pout(可调) |
| 频率精度 | ±0.1% |
| 谐波畸变 | ≤-20dBc |
| 模拟输入阻抗 | 50Ω |
| 模拟调制电压范围 | 0 … +1V@50Ω |
| 模拟调制射频开/关比 | ≥50dB |
| 数字调制阻抗 | 75Ω标准 |
| 数字调制电平 | 标准 TTL |
| 数字调制射频开/关比 | ≥60dB |
| 射频上升/下降时间 (上升:10%至90%) (下降:90%至10%) | 12nsec@80MHz 9nsec@110MHz 7nsec@150MHz 5nsec@200MHz 4nsec@260MHz 4nsec@350MHz |
| 射频输出连接器 | SMA母头 |
| 调制连接器 | SMC公头 |
| 电源连接器 | 输入:焊接端子(过滤馈通),接地:焊片 |
| 冷却方式 Pout 1.0W-1.5W 2.5W-3.0W 4.0W | 传导 底板应连接到合适的散热片,能够消散: 15W 20W 22W |
| 预热时间 | 5min |
| 底板温度 | 0℃至+60℃(为获得最佳输出功率稳定性,应提供恒定的基板温度) |
| 储存温度 | -25℃至+85℃(不结露) |
| 电源电压 | 绝对最大值:+28 VDC |
| 模拟调制 | 绝对最大值:-1.5V至+1.5V |
| 数字调制 | 绝对最大值:-0.5V至+0.5V |
| 工作温度 | 绝对最大值:+65℃(基板温度) |
| 重量 | 0.24Kg |
| 尺寸(长x宽x高) | 102x29x80mm;外形图:(尺寸以英寸为单位) |
上一个产品